Seite 2 von 3
Re: Husqvarna wr 240 bj. 82
Verfasst: 08.04.23 - 18:54
von kargo
Ersatzteil listen hab ich. Benötige sonen Bolzen der in der schwinge steckt für die stossdämpferaufnahme und zwei Bolzen die im nadellager stecken.
Re: Husqvarna wr 240 bj. 82
Verfasst: 08.04.23 - 22:49
von husky430cr
Schwingenbolzen könnte HVA Factory haben das andere weiß ich nicht, was du meinst
https://hva-factory.com/
Re: Husqvarna wr 240 bj. 82
Verfasst: 09.04.23 - 13:06
von kargo
Ich meine die Distanzhülsen, die im nadellager stecken. MZ hat damals Kolben Bolzen von jawa verbaut.

Re: Husqvarna wr 240 bj. 82
Verfasst: 09.04.23 - 22:27
von husky430cr
Nr. 15?---das bekommste bei HVA-Factory oder evtl. MEC-Racing

- Screenshot 2023-04-09 232517.jpg (93.53 KiB) 9446 mal betrachtet
Re: Husqvarna wr 240 bj. 82
Verfasst: 10.04.23 - 04:29
von Nasenstrontz
Schwinge die 2 Bolzen bei HVA Faktory wie Jürgen schon sagte.
Aber die Nadellager (4 Stk) sind übertrieben teuer dort.
Ich will da niemand schlecht machen.
Nachbauen wie Plastik, Dreh und Frästeile kosten nun mal ihr Geld aber Normlager muss man nicht übertrieben teuer anbieten.
Federbein Aufnahme (Schraube) hab ich entweder bei HVA Faktory oder bei twinshock cnc gesehen.
Tank Aufkleber H gibt's auch in Ebay
Gruß Rainer
Re: Husqvarna wr 240 bj. 82
Verfasst: 10.04.23 - 09:41
von kargo
Dekor vom Tank wird liniert - keine Aufkleber und Lack drüber.

Hat jemand die Größe der O-Ringe Nr. 21 und 29? Würde mir sehr helfen.
Und die Anzahl selbiger-habe auf Schaltwelle 4 Stück und auf Kickstarterwelle 2

Schaltwelle allerdings undicht
Re: Husqvarna wr 240 bj. 82
Verfasst: 10.04.23 - 12:02
von husky430cr
Federbeinaufnahme unten von CNC ist nur für Twinshock 1983 und 1984, aufpassen und richtig schauen, die 1982er Aufnahme ist anders, da ab da ITC-Federbeine--das ist eine 83/84er Schwinge-->hast di so eine Buchse für die Aufnahmen in deiner Schwinge?

- 9b (2).JPG (1008.95 KiB) 9434 mal betrachtet
O-Ringe: kauf die eine O-Ring Satzbox-da findest immer das passende
Re: Husqvarna wr 240 bj. 82
Verfasst: 18.04.23 - 11:09
von kargo
Fast alle Problemchen zur Zeit im Griff. Ausser die unendliche Suche nach ner Dichtung vom Kupplungsdeckel. Hat jemand ne Quelle aufgetan, ausser HVA oder Vintage Parts Schweden, wo man sowas bekommt? Macht ja echt keinen Sinn, mehr Versand zu bezahlen, als fürs eigentliche Ersatzteil.
Das Ende ist noch nicht in Sicht

Re: Husqvarna wr 240 bj. 82
Verfasst: 18.04.23 - 15:32
von husky430cr
http://www.vmx-service.eu/de/45-husqvarna
und ja so ne Restauration braucht Geduld und Spucke, das ist nichts mal schnell in 4 Wochen
GJ
Re: Husqvarna wr 240 bj. 82
Verfasst: 29.04.23 - 16:53
von kargo
Hallöchen, hat jemand eventuell Fotos wie die Kabel und Bowdenzüge verlegt werden sollen? Danke
Re: Husqvarna wr 240 bj. 82
Verfasst: 11.05.23 - 20:39
von hva--610
Hallo , ich würde an deiner stelle auch den motor aufmachen , nach 40 jahren sind die simmerringe alle durch.
Re: Husqvarna wr 240 bj. 82
Verfasst: 29.05.23 - 11:42
von kargo
Motor muss erstmal warten. Lass grad den Motor von meiner 83er wr 240 komplett überholen. Die bekommt erstmal oberste Priorität
Re: Husqvarna wr 240 bj. 82
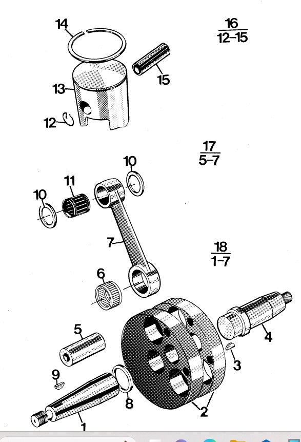
Verfasst: 23.06.23 - 14:06
von kargo
Hallo an Alle die mir helfen können.
Haben gerade den Motor von der 83er WR 240 zusammen gesetzt. Es fehlen jedoch die Distanzscheiben vom Kolbenbolzen (Teil Nummer 10 in der Ersatzteilliste vom Motor). Hat jemand zufällig welche auf Lager, eine Bezugsquelle oder die genauen Abmessungen? Wäre für jede Info sehr dankbar
Re: Husqvarna wr 240 bj. 82
Verfasst: 23.06.23 - 15:51
von kargo

- IMG_20230610_185947.jpg (3.03 MiB) 8232 mal betrachtet
Re: Husqvarna wr 240 bj. 82
Verfasst: 23.06.23 - 15:51
von kargo
82er im Endstadium
Re: Husqvarna wr 240 bj. 82
Verfasst: 16.09.23 - 18:30
von MarkSore
Obwohl es noch nicht vollständig zusammengebaut ist, sieht es schon jetzt großartig aus!
Re: Husqvarna wr 240 bj. 82
Verfasst: 16.09.23 - 18:34
von MarkSore
Vielleicht haben Sie es schon komplett zusammengebaut, aber trotzdem. Mir gefiel es schon im halb zusammengebauten Zustand. wahrscheinlich ist er in voller Kleidung einfach unwiderstehlich
Re: Husqvarna wr 240 bj. 82
Verfasst: 18.09.23 - 08:35
von kargo

- IMG_20230912_183724.jpg (3.99 MiB) 7740 mal betrachtet
Re: Husqvarna wr 240 bj. 82
Verfasst: 18.09.23 - 11:37
von kargo

- IMG_20230707_171426.jpg (3.67 MiB) 7717 mal betrachtet
Re: Husqvarna wr 240 bj. 82
Verfasst: 18.09.23 - 11:38
von kargo
Aufbau WR 240 Baujahr 1983 geht los