Kleiner Urlaubsbericht - mit Infos und Fragen...

Du hast eine Vitpilen oder Svartpilen? Dann bitte hier eintreten!

Moderator: Moderatoren

Antworten
Benutzeravatar
Hansemann
HVA-Neuling
Beiträge: 26
Registriert: 08.08.16 - 23:45
Motorrad: 701 Enduro

Kleiner Urlaubsbericht - mit Infos und Fragen...

Beitrag von Hansemann »

Hallo zusammen,

ich komme mit der 701 (Enduro) gerade aus Norwegen (zum zweiten Mal) zurück und vielleicht sind meine Erfahrungen ja für den einen oder anderen von Interesse. Außerdem habe ich ein paar Fragen….

Das größte Ärgernis vorweg: Die Kiste verbraucht (fast ;-) ) so viel Öl wie Benzin.
Auf etwas über 4000 Km waren es 2,7 Liter.
Weiß der Himmel, wo das Zeug bleibt – weder bläut das Abgas, noch hat sie irgendwelche Leckagen; Motorblock, -Kopf und Getriebebereich sind komplett trocken.
Trotzdem war spätestens alle drei Tage der Pegel im Schauglas am unteren Limit.
Das war zwar im letzten Jahr auch schon ein Problem, ich hatte jedoch den Eindruck, dass sich der Ölverbrauch im Rahmen der "normalen" Nutzung (ohne Tagesetappen von 300-400 km...) zwischenzeitlich normalisiert hätte.

Weniger dramatisch aber auch lästig ist ein komplett von innen beschlagenes Display (s. Foto).
Kennt jemand einen Trick, wie mal so etwas (ohne alles auseinanderzubauen) beheben kann?
Fön- Einsatz?

Ansonsten lief sie aber einwandfrei ohne jeglichen Defekt.
Ich habe vor der Tour hinten ein Kettenrad mit 48 Zähnen (Serie 45) montiert.
Im Gegensatz zur ersten Fahrt in den Norden im letzten Jahr (mit Originalübersetzung) ist das Fahren in den bergigen Regionen jetzt deutlich angenehmer, man muss in den Serpentinen die Gänge nicht mehr so drehen, damit sie nach dem Hochschalten ohne Ruckeln weiterzieht.
Ich bin so angetan, dass ich mit einem 50er Kettenrad liebäugle.
Vielleicht hat ja jemand Bedarf an dem jetzigen Kettensatz (15:48, Stealth- Kettenrad, 'goldene' DID- Kette; wie gesagt 4000 km gelaufen und NIE scharf gefahren)…

Für das Gepäck (drei Taschen/ Rollen von SW- Motech) habe ich mir eine Gepäckbrücke bauen lassen (6 mm Alu-Blech nach Zeichnung gefräst und anschließend pulverbeschichtet).
Letztes Jahr habe ich die Taschen noch auf der Sitzbank und den beiden Sozius- Handgriffen befestigt, was ein ziemlicher Krampf war.
Vor allem die Tatsache, dass ich beim Tanken (die hintere Anordnung des Tankverschlusses ist meines Erachtens der größte Fehler am Motorrad!!) immer den ganzen Krempel lösen musste, hat mich extrem gestört.
Auf der Gepäckbrücke saß alles bombenfest (auch nach diversen Fahrten über unbefestigte Wege).
Und ich musste "nur" die mit zwei Rok-Straps befestigte hintere Tasche lösen, um tanken zu können.

Der Verbrauch lag übrigens durchweg zwischen 4,0 und 4,3 Litern (ich fahre allerdings auch 'materialschonend', mit knapp 50 habe ich die wilden Zeiten hinter mir ;-) )

Da ich die Gepäckbrücke nur für die Tour anbauen, keine Löcher am Bike bohren wollte und mir die Optik (halbwegs) egal war, habe ich mir aus festem Schaumstoff (war leider nur in Rosa erhältlich :-( ) zwei Keile ausgeschnitten, und diese mit doppelseitigem Klebeband auf die Soziusgriffe geklebt, damit die Alu- Platte eine größere Auflagefläche hat.
Die Auflagefläche auf dem hinteren Ende der Sitzbank habe ich ebenfalls mit Schaumstoff gepolstert.
Befestigt habe ich Platte mit Kabelbindern über die Griffe, mit einem zugeschnittenen Schlauch habe ich Kratzspuren an den Griffen verhindert.
Wie gesagt, das Ganze hat sich sehr bewährt, werde ich genauso nächstes Jahr wieder verwenden.

Gruß und allseits gute Fahrt!
Dateianhänge
IMG_4319_1.jpg
IMG_4319_1.jpg (107.35 KiB) 6917 mal betrachtet
IMG_4426_1.jpg
IMG_4426_1.jpg (149.81 KiB) 6917 mal betrachtet
IMG_4424_1.jpg
IMG_4424_1.jpg (165.39 KiB) 6917 mal betrachtet
IMG_4423_1.jpg
IMG_4423_1.jpg (150.69 KiB) 6917 mal betrachtet
IMG_4422_1.jpg
IMG_4422_1.jpg (179.72 KiB) 6917 mal betrachtet
IMG_4420_1.jpg
IMG_4420_1.jpg (152.2 KiB) 6917 mal betrachtet
IMG_4418_1.jpg
IMG_4418_1.jpg (260.55 KiB) 6917 mal betrachtet
IMG_4419_1.jpg
IMG_4419_1.jpg (180.38 KiB) 6917 mal betrachtet
IMG_4416_1.jpg
IMG_4416_1.jpg (179.93 KiB) 6917 mal betrachtet
IMG_4280_4.jpg
IMG_4280_4.jpg (245.01 KiB) 6917 mal betrachtet
Benutzeravatar
OlafHH
HVA-Neuling
Beiträge: 44
Registriert: 29.06.17 - 19:39
Motorrad: noch keins
Kontaktdaten:

Re: Kleiner Urlaubsbericht - mit Infos und Fragen...

Beitrag von OlafHH »

Hallo

Erstmal vielen Dank für deinen Bericht und die super Bilder. :Top:

Ich finde die Gepäckbrücke super. Ich hoffe du hast noch die Maße. Und die Werkstatt baut seine eine Brücke nochmal. :Top:

Mit dem Tacho und den Ölverbrauch kann ich leider nichts zu sagen. :-(
Schöne Grüße aus dem Norden. Olaf :wink:

Das sind wir >> http://www.quad-olaf.de/ :Top: :h:
fanki

Re: Kleiner Urlaubsbericht - mit Infos und Fragen...

Beitrag von fanki »

Guter Bericht :Top:

Tacho würde ich auf Garantie ersetzen lassen.
Der Ölverbrauch würde mir ehrlich gesagt auch grössere Sorgen bereiten :-?
husky-shop
HVA-Brenner
Beiträge: 372
Registriert: 16.11.09 - 20:48
Motorrad: TE250
Wohnort: Husky-Shop
Kontaktdaten:

Re: Kleiner Urlaubsbericht - mit Infos und Fragen...

Beitrag von husky-shop »

Schöner Bericht!
Hast Du passend zum Gepäck auch die Feder Hinten verändert?
Falls nicht könnte der ,sicher aus dem Rahmen fallende, Ölverbrauch sich
auch durch einen Ablesefehler begründen.
Mach doch mal eine längere Probefahrt ohne Gepäck (hinten) und beobachte den Ölstand...
HUSQVARNA Teile und mehr
www.teuber-motorsport.com
Benutzeravatar
Firebeast
Administrator
Beiträge: 2882
Registriert: 27.05.13 - 20:59
Motorrad: NUDA TE511 Martin FJ
Wohnort: Aachen

Re: Kleiner Urlaubsbericht - mit Infos und Fragen...

Beitrag von Firebeast »

Sehr guter Bericht :Top: :hva:

Das mit dem undichten Tacho ist ja leider nicht die Ausnahme. Wenn KTM/HUSQVARNA es nicht auf die Reihe
kriegt würde ich (notgedrungen) versuchen, zwei drei kleine Lüftungsbohrungen an geeigneter Stelle anzubringen.
husky-shop hat geschrieben: [...] könnte der ,sicher aus dem Rahmen fallende, Ölverbrauch sich
auch durch einen Ablesefehler begründen [...]
Klingt erstmal logisch, aaaaber ... dann müsste nach einmaligem Nachfüllen alles wieder "normal" sein.
Ich bin krank! Hab die Symptome gegoogelt; Also es gibt drei Möglichkeiten:
Pest, Borkenkäfer oder Zylinderkopfdichtung... :freak: :ka:
AmStaff
HVA-Mitglied
Beiträge: 128
Registriert: 12.07.17 - 05:35

Re: Kleiner Urlaubsbericht - mit Infos und Fragen...

Beitrag von AmStaff »

Da du zuhause keinen Ölverbrauch feststellen konntest oder dieser im Rahmen war würde ich das ganze jetzt nochmal genau beobachten.
Da die Ölmenge im Schauglas auf ein ganz kleines bischen mehr Neigung anständig reagiert, habe ich mir so eine Miniwasserwaage unter die Sitzbank gelegt. Bei der Ölkontrolle, lege ich diese auf die Schwinge, dass die Kiste wirklich immer gerade steht. Auffüllen nur bis 2/3 des Glases, sonst steigt der Verbrauch auch unnötig an. Sollte der Verbrauch weiterhin so hoch sein, kannst du mal die Motorentlüftung kontrollieren.
husky-shop
HVA-Brenner
Beiträge: 372
Registriert: 16.11.09 - 20:48
Motorrad: TE250
Wohnort: Husky-Shop
Kontaktdaten:

Re: Kleiner Urlaubsbericht - mit Infos und Fragen...

Beitrag von husky-shop »

Klingt erstmal logisch, aaaaber ... dann müsste nach einmaligem Nachfüllen alles wieder "normal" sein.
Nein, er füllt ja in diesem Fall jedes mal über max auf,
und verbraucht natürlich mehr.
Weil eigentlich ist der Stand ja ok, nur durch Gepäck falsch abgelesen!
Kann natürlich auch was anderes sein,
wie schon gesagt, weiterfahren und beobachten.
HUSQVARNA Teile und mehr
www.teuber-motorsport.com
AmStaff
HVA-Mitglied
Beiträge: 128
Registriert: 12.07.17 - 05:35

Re: Kleiner Urlaubsbericht - mit Infos und Fragen...

Beitrag von AmStaff »

Mach doch nochmal ne Kontrolle merke dir die Stelle bis wohin das Öl am Glas zu sehen ist, dann schnalle dein Gepäck nochmal drauf und schau, ob sich was verändert. Wenn es weniger anzeigt, was zu vermuten ist, dann haste Deine Erklärung.
Dan bist du beim Auffüllen bis max in Wirklichkeit über max gelandet.
Benutzeravatar
Digga
HVA-Brenner
Beiträge: 275
Registriert: 10.07.17 - 17:32
Motorrad: Svartpilen 701 Bj.19

Re: Kleiner Urlaubsbericht - mit Infos und Fragen...

Beitrag von Digga »

Hab hier schon mal von einem Fall gelesen das ein gebrochener Kolbenring am hohen Ölverbrauch schuld gewesen und erst in der Werkstatt beim zerlegen des Motors aufgefallen ist .

Wenn du die Kiste wirklich moderat fährst dann sollte der Ölverbrauch nicht so ins Gewicht fallen als wenn die Kiste nur getreten wird und bei deinem Verbrauch von nur 4,3 Liter bist du wohl wirklich kein Heizer.
Benutzeravatar
Firebeast
Administrator
Beiträge: 2882
Registriert: 27.05.13 - 20:59
Motorrad: NUDA TE511 Martin FJ
Wohnort: Aachen

Re: Kleiner Urlaubsbericht - mit Infos und Fragen...

Beitrag von Firebeast »

husky-shop hat geschrieben:[...] Nein, er füllt ja in diesem Fall jedes mal über max auf,
und verbraucht natürlich mehr [...]
Aaaah ... jetzt kapier ich, was Du meinst :idea: :lol:

Hmmm ... aber dann müsste sich das Öl doch um Luftfilterkasten wiederfinden, oder?
Ich bin krank! Hab die Symptome gegoogelt; Also es gibt drei Möglichkeiten:
Pest, Borkenkäfer oder Zylinderkopfdichtung... :freak: :ka:
Benutzeravatar
Hansemann
HVA-Neuling
Beiträge: 26
Registriert: 08.08.16 - 23:45
Motorrad: 701 Enduro

Re: Kleiner Urlaubsbericht - mit Infos und Fragen...

Beitrag von Hansemann »

Hallo zusammen,

und erst einmal danke für Eure Hinweise.

Den Ölstand habe ich immer im unbelasteten Zustand gemessen und dabei auf ebenen Stand geachtet.
Was mich so irritiert ist die Tatsache, dass es keinen Anhaltspunkt dafür gibt, wo das Öl bleibt.
Nirgends an der Maschine ist eine nasse Stelle oder Bereich zu erkennen und wenn ich das Bike abstelle, ist/ war nie ein Fleck auf dem Boden (auch nicht auf der Innenseite des Motorschutzbleches).
Und einen zerbrochenen Kolbenring würde man doch durch reduzierte Leistung (Verdichtung) merken, oder?
Dabei läuft sie einwandfrei…
Auch ist der Auspuff "normal" verrußt und kein bisschen ölig.
Ich habe sie im Sommer 2016 neu gekauft und somit noch ein Jahr Garantie.
Muss ich sie wohl doch auseinandernehmen lassen…

Etwas anderes.
Ich wurde angesprochen bzgl. Bedarf an der Gepäckbrücke.
Ich schaffe es nicht, mich um eine Kleinserie und das ganze Drumherum zu kümmern.
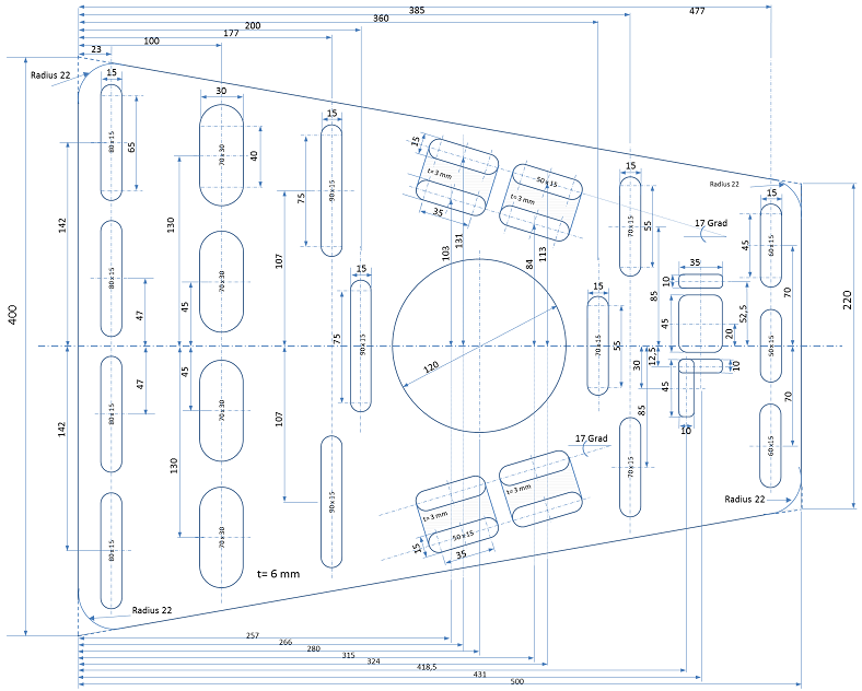
Ich hänge mal meine Skizze an, nach der mir ein Fräsbetrieb die Platte hergestellt hat.
Das Teil war allerdings nicht ganz günstig, ich habe 180,- EUR für die Platte und noch mal 50,- EUR fürs Pulverbeschichten bezahlt.
Grund ist (lt. Aussage des Fräsers) der Aufwand, da jede Bohrung/ jedes Langloch in einem zweiten Arbeitsschritt entgratet werden muss (wenn man das nicht mit der Hand machen möchte…).
Klar, es gibt (u.a. bei Bräuer) maßgeschneiderte Gepäckträger für die 701 (die auch noch deutlich hübscher sind...), max. Traglast (vermutlich) 5-8 kg.
Auf der Platte waren gute 40… (hauptsächlich Dosenravioli ;-) )

Gruß!
Dateianhänge
Gepäckplatte_701_3.png
Gepäckplatte_701_3.png (134.22 KiB) 6716 mal betrachtet
puffel
HVA-Brenner
Beiträge: 304
Registriert: 28.04.17 - 23:29
Motorrad: 701SM '17

Re: Kleiner Urlaubsbericht - mit Infos und Fragen...

Beitrag von puffel »

Der ölverbrauch scheint schon etwas hoch. Aber bei der smc ist das ein bekanntes Problem mit dem Verbrauch. In deinem Fall gelangt das Öl in den Brennraum und wird mit verbrannt würde ich sagen. Das Problem könnte auch andersherum auftreten sodass Sprit ins Öl gelangt und das Motoröl verdünnt und der ölstand ansteigt. Das wäre schlechter als der ölverbrauch.

Bei meiner 17er mit dem neueren Motor konnte ich noch keinen signifikanten Verbrauch feststellen. Hat jetzt 1600km runter und bei 950km hatte sie beim 1000er Service neues Öl bekommen.
Ich glaube Motul v300 10w60.

Zu dem ölverbrauch oder der verdünnung gibt's ein Video vom piraten wo das mal ganz gut erklärt wird.
https://youtu.be/7YYAoO2Avcw
Benutzeravatar
Digga
HVA-Brenner
Beiträge: 275
Registriert: 10.07.17 - 17:32
Motorrad: Svartpilen 701 Bj.19

Re: Kleiner Urlaubsbericht - mit Infos und Fragen...

Beitrag von Digga »

Hansemann hat geschrieben: Und einen zerbrochenen Kolbenring würde man doch durch reduzierte Leistung (Verdichtung) merken, oder?
Dabei läuft sie einwandfrei…
Naja hast du denn ein Referenzfahrzeug zum vergleichen? Auch möglich das der Ölabstreifring einen weg hat.
Hansemann hat geschrieben: Etwas anderes.
Ich wurde angesprochen bzgl. Bedarf an der Gepäckbrücke.
Ich schaffe es nicht, mich um eine Kleinserie und das ganze Drumherum zu kümmern.
Ich hänge mal meine Skizze an, nach der mir ein Fräsbetrieb die Platte hergestellt hat.
Das Teil war allerdings nicht ganz günstig, ich habe 180,- EUR für die Platte und noch mal 50,- EUR fürs Pulverbeschichten bezahlt.
Grund ist (lt. Aussage des Fräsers) der Aufwand, da jede Bohrung/ jedes Langloch in einem zweiten Arbeitsschritt entgratet werden muss (wenn man das nicht mit der Hand machen möchte…).
Klar, es gibt (u.a. bei Bräuer) maßgeschneiderte Gepäckträger für die 701 (die auch noch deutlich hübscher sind...), max. Traglast (vermutlich) 5-8 kg.
Auf der Platte waren gute 40… (hauptsächlich Dosenravioli ;-) )

Gruß!
Wasserstrahlschneiden oder Lasern könnten eine günstigere Alternative sein...
fanki

Re: Kleiner Urlaubsbericht - mit Infos und Fragen...

Beitrag von fanki »

@hansemann.
ein paar Fragen zum Ölverbrauch der nach deinen Angaben ja schon seit Beginn messbar ist. Ausserdem gehe ich auch davon aus dass du vor dem Messen ca. 1 Minute wartest und dem Öl Zeit gibst vom Kopf etc in den Sumpf zu laufen und dass das Öl immer betriebswarm ist
- hast du die Kiste selbst eingefahren? Edit: habe gerade gesehen dass du sie neu gekauft hast...und da du ja kein Heitzer bist, denke ich du hast sie gut warm und eingefahren...
- welches Öl verwendest du, bzw welches hast du nachgefüllt?
- was für Kraftstoff tankst du? In Skandinavien vielleicht sogar das E85? hoffe nicht...

Leider ist es schon so dass meist die Kolbenringe für zu hohen Ölverbrauch verantwortlich sind... :-(

Meine 16er Enduro hat zwar auch erst 2000km drauf, aber bisher kann ich noch nicht ansatzweise einen Ölverbrauch feststellen

PS: was hast du da eigentlich für einen Sitz, bzw Sitzbezug drauf?
Benutzeravatar
williMeier
HVA-Gott
Beiträge: 1631
Registriert: 21.02.04 - 23:18
Wohnort: 26197 Großenkneten
Kontaktdaten:

Re: Kleiner Urlaubsbericht - mit Infos und Fragen...

Beitrag von williMeier »

Das sind ja "nur" 0,675 Liter Öl pro 1000 km.
Mein olles Auto braucht 1 Liter Öl pro Tausend. Da sieht man auch nix anders, außer das nachgefüllt werden muß. ;-)
Um den Ölverbrauch würd' ich mir nicht sooo dolle Sorgen machen.
Obwohl: Meine Duc mit 100.000+ braucht bei 4000 pro Jahr so gut wie kein Öl.
Es gibt wohl Streuungen in der Herstellungspräzision.?
mfg frank
[size=50][url=http://www.alphabetisierung.de/kampagne/awards.html]Wäre für mein nähsten projeckt interresant und zu empfählen.[/url][/size]
fanki

Re: Kleiner Urlaubsbericht - mit Infos und Fragen...

Beitrag von fanki »

williMeier hat geschrieben:Das sind ja "nur" 0,675 Liter Öl pro 1000 km.
Mein olles Auto braucht 1 Liter Öl pro Tausend. Da sieht man auch nix anders, außer das nachgefüllt werden muß. ;-)
Um den Ölverbrauch würd' ich mir nicht sooo dolle Sorgen machen.
Obwohl: Meine Duc mit 100.000+ braucht bei 4000 pro Jahr so gut wie kein Öl.
Es gibt wohl Streuungen in der Herstellungspräzision.?
aber bei 1,7 Liter Füllmenge sind 0,675 l/1000km schon recht hoch finde ich. da kann man sich fast die Ölwechselintervalle sparen :-? ;-)
Benutzeravatar
Hansemann
HVA-Neuling
Beiträge: 26
Registriert: 08.08.16 - 23:45
Motorrad: 701 Enduro

Re: Kleiner Urlaubsbericht - mit Infos und Fragen...

Beitrag von Hansemann »

Hallo

und ein Update….

Ich habe mit meinem Händler und der hat mit Husqvarna über "meinen Fall" gesprochen sowie einen Garantieantrag eingereicht.
Die Antwort kam postwendend: Der Tacho wird selbstverständlich ersetzt.
ABER
Der Ölverbrauch wäre mit 0,7 bis 0,8 l auf 1000 km in der von Husqvarna def. Toleranz !!!
(Hanebüchene) Begründung von Husqvarna: Da es sich um einen sehr großen und leistungsstarken Einzylinder handelt, ist ein gewisser Ölverbrauch bauartbedingt und kann nicht ausgeschlossen werden.
In seltenen Fällen ist eine Undichtigkeit im Bereich der Nockenwelle (??) vorhanden, die jedoch lediglich für einen Mehrverbrauch von ca. 0,1 bis 0,2 l verantwortlich wäre.
Husqvarna übernimmt keine Kosten für das Öffnen des Motors, um nach etwaigen Ursachen zu suchen (da ja alles in Ordnung ist :freak: ).
Sollte der Kunde (ich) das wünschen, muss ich auch die entsprechenden Kosten übernehmen.
Und noch ein Schmankerl zum Schluss: Ggf. würde der hohe Ölverbrauch durch meine Fahrweise bedingt sein. Eher untertouriges Fahren und Fahren mit konstanter Drehzahl über eine längere Strecke würde der Motor eher mit hohem Ölverbrauch quittieren als wechselnde Belastungen mit Nutzung des gesamten Drehzahlspektrums.
So ein Unfug: Ich fahre doch nicht dauernd mit peitschender Kette und ruckelndem Motorrad… :aarg:
Kurzum: Kein Motorrad für Leute, die dem Bock nicht ständig alles abverlangen….
Ich bin kein Motorenbau- Spezialist, aber das ist für mich ausgemachter Blödsinn, um sich schlank aus der Affäre zu ziehen.
Enttäuschend…

Da noch ein paar Fragen gestellt wurden:
- Ich verwende Bel-Ray Works Thumper Racing 10W50 Synthetisches Ester 4T, einen Liter davon hatte ich in Norwegen dabei. Da gab's den Saft aber nicht und ich habe stattdessen Shell Advance 4T Ultra 15W-50 verwendet
- Getankt wurde und wird Super mit (mind.) 98 Oktan
- Die (schwarze) Sitzbank, mit der die 701 ausgeliefert wurde, habe ich aufpolstern und neu beziehen lassen…

Gruß!
fanki

Re: Kleiner Urlaubsbericht - mit Infos und Fragen...

Beitrag von fanki »

Hqv hat sich da natürlich sehr geschickt verhalten. Und ich muss ehrlich (leider) gestehen dass das nicht so weit hergeholt ist...
Da es sich um einen sehr großen und leistungsstarken Einzylinder handelt, ist ein gewisser Ölverbrauch bauartbedingt und kann nicht ausgeschlossen werden
ja ist leider so...
n seltenen Fällen ist eine Undichtigkeit im Bereich der Nockenwelle (??) vorhanden, die jedoch lediglich für einen Mehrverbrauch von ca. 0,1 bis 0,2 l verantwortlich wäre.
die meinen wahrscheinlich die Ventilschaftabdichtungen...bei dir aber eher kaum das Problem
Ggf. würde der hohe Ölverbrauch durch meine Fahrweise bedingt sein. Eher untertouriges Fahren und Fahren mit konstanter Drehzahl über eine längere Strecke würde der Motor eher mit hohem Ölverbrauch quittieren als wechselnde Belastungen mit Nutzung des gesamten Drehzahlspektrums.
So ein Unfug: Ich fahre doch nicht dauernd mit peitschender Kette und ruckelndem Motorrad
stimmt leider auch...Lastwechsel in den Alpen sind besser bezüglich Ölverbrauch besser als lange Konstantetappen über Bundesstrassen etc...
Kurzum: Kein Motorrad für Leute, die dem Bock nicht ständig alles abverlangen….
naja, die 701er ist nach meinem Verständnis schon eher als Performance-Bike ausgelegt anstatt als Fernreise-Motorrad. Bei mir hat sie die gute 600er XT ersetzt bei welcher in 106Tkm ausser 3 mal Ventilspiel kontr. und einstellen am Motor nichts gemacht wurde...und sie läuft immer noch einwandfrei...dass die 701 diese Messlatte nie erreichen wird war mir beim Kauf von Anfang an klar
trotzdem ... ich verstehe deinen Ärger

Wenn du Bock hast kannst du ja mal noch anderes Öl (ich meine Marke nicht Viskosität, wobei da würde ich bei 10w/60 bleiben) probieren. Das hat manchmal auch einen nicht unrelevanten Einfluss (z.B. Verdampfungseigenschaften, Ölnebelbildung im Kurbelgehäuse, ...)

leider scheint es bei der 701er eine recht hohe Streuung bezüglich Ölverbrauch zu geben, oder sie reagiert sensibler auf gewisse Bedingungen als andere Motoren :-?
Antworten